Выравниватель для мебельных дверей L-2600 мм FLAT AKS
Код товара:83332
В наличии
Бренд:
AKS – фурнитура среднего ценового сегмента с оптимальным соотношением цены и качества. Товары обладают проверенной надежностью и обеспечивают долговечное функционирование
AKS
В наличии
556 руб/ком
Характеристики
Описание
Доставка и оплата
Отзывы
Сопутствующие товары
Бренд:
AKS
Модель/приминимо с моделью:
Выравниватель для полотна из древесных материалов
Длина (L, мм):
2600
Цвет:
Алюминий
Материал полотна/применение:
Древесные материалы
Наличие профиля/применение:
Универсально
Наличие порога:
Универсально
Назначение:
Для шкафа
Свойство:
Выравниватель для двери
Кол-во в упаковке:
1
Гарантийный срок:
24 месяца
Срок службы:
60 месяцев
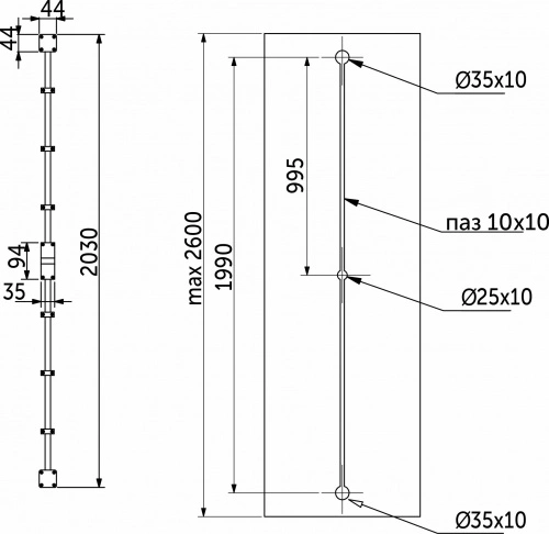
Выравнивает двери толщиной от 16 мм и высотой до 2 600 мм. Простая установка в профрезерованный паз шириной 10 мм, глубиной 10 мм - две штанги, с правой и левой резьбой, вкручиваются в гильзу с внутренней резьбой. Каждая штанга закрепляется с помощью корпуса в отверстиях 35 мм, глубиной 10 мм. Вращая гильзу, можно растягивать или сжимать дверную панель. Защитные накладки предотвращают повреждения содержимого шкафа. При ширине двери более 600 мм рекомендуется установка 2-х выпрямителей.

Варианты доставки:
Транспортным средством продавца до подъезда;
Транспортной компанией по адресу;
Самовывоз из пункта выдачи товара.

Варианты оплаты:
Наличными, банковской картой курьеру;
Банковской картой в режиме «онлайн»;
Наличными, банковской картой в пунктах самовывоза;
Безналичный расчет для юридических лиц.
Рейтинг
Отзывы покупателей (0)

Профиль V алюминий направляющая верхн./нижн. L-2500 мм REJS
600 руб/шт

Профиль алюминиевый STANDART, STANFOLD, SLIDE, PORTA GLASS направляющая верхн. L-6000 мм АЛЮТЕХ K-075
580 руб/пог.м

Профиль алюминиевый FAST направляющая верхн./нижн. L-6000 мм АЛЮТЕХ
240 руб/пог.м

Профиль алюминиевый BIFOLD направляющая верхн. L-6000 мм LAGUNA K-015
575 руб/пог.м

Профиль алюминиевый STANDART, UNIFUTURE, GUSTAVSON LOFT серебро направляющая нижн. L-6000 мм LAGUNA C-10
245 руб/пог.м





