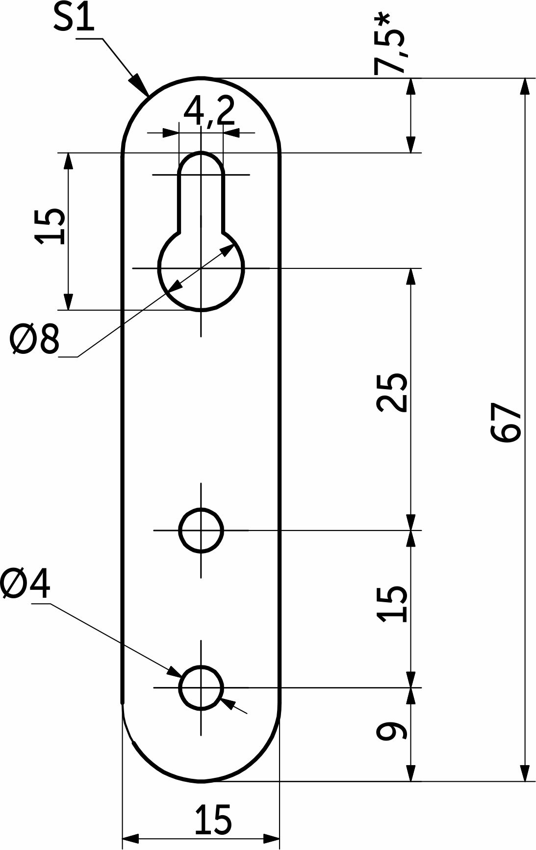
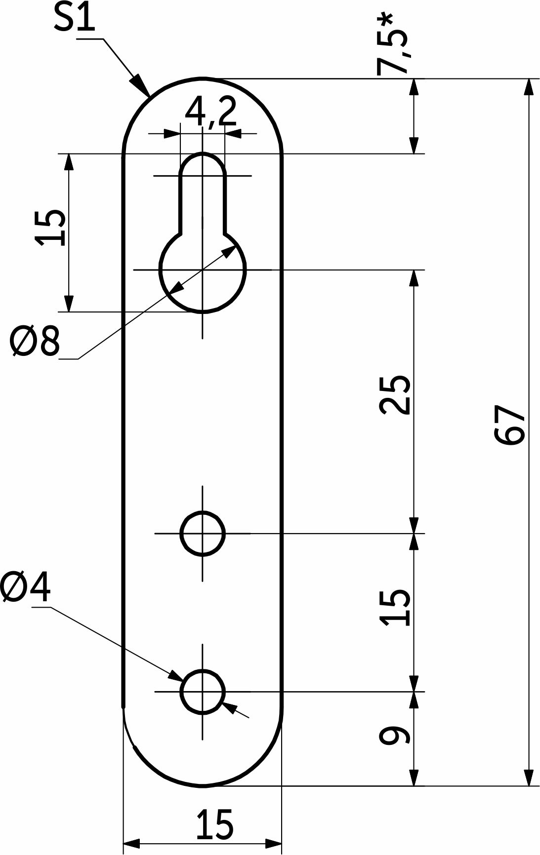
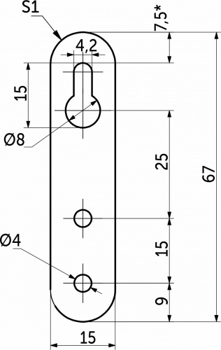
Пластинка зацепная 67*15*1,0 белый цинк (большое отверстие сверху) (уп/200шт) AKS
Код товара:76071
В наличии
Бренд:
AKS – фурнитура среднего ценового сегмента с оптимальным соотношением цены и качества. Товары обладают проверенной надежностью и обеспечивают долговечное функционирование
AKS
В наличии
6.1 руб/шт
Характеристики
Описание
Доставка и оплата
Отзывы
Сопутствующие товары
Бренд:
AKS
Длина (L, мм):
67
Цвет:
Белый цинк
Тип навеса и шины:
Подвесные пластины
Толщина шины (мм):
1
Кол-во в упаковке:
200
Гарантийный срок:
24 месяца
Срок службы:
60 месяцев
Пластина зацепная применяется для скрытого монтажа полок или других легких конструкций к стене. Она крепится вертикально двумя саморезами к торцевой сторjне корпуса изделия, где предварительно было сделана фрезеровка для зацепной части пластины в форме замочной скважины (может быть по центру или смещено к краю изделия). Затем после установки пластины на изделие происходит навешивание через зацепную часть пластины в форме замочной скважины на предустановленные в стене крюки или шурупы. Толщина пластины 1,4 мм, длина 65-67 мм, ширина 15 мм. Большое отверстие смещено. Материал: сталь

Варианты доставки:
Транспортным средством продавца до подъезда;
Транспортной компанией по адресу;
Самовывоз из пункта выдачи товара.

Варианты оплаты:
Наличными, банковской картой курьеру;
Банковской картой в режиме «онлайн»;
Наличными, банковской картой в пунктах самовывоза;
Безналичный расчет для юридических лиц.
Рейтинг
Отзывы покупателей (0)








